"무엇이 ~인가"라고 구글에 검색하지 않잖아요. CNC 밀링 머신"실질적인 문제가 걸려 있지 않는 한 말이죠." 어쩌면 당신은 제품을 개발 중일 수도 있고, 부품 가격을 알아보고 있을 수도 있습니다. 아니면 기계 카탈로그를 보면서 '내가 비싼 실수를 저지르는 건 아닐까?'라고 생각하고 있을지도 모릅니다.
문제는 대부분의 CNC 밀링 가이드가 공학 교과서처럼 딱딱하게 설명하거나 모든 것을 지나치게 단순화하여 오히려 도움이 되지 않는다는 점입니다. 이 가이드는 그렇지 않습니다. CNC 밀링 머신의 실제 작동 원리, "CNC 밀링"의 진정한 의미, 그리고 돈 낭비 없이 적합한 기계를 선택하는 방법을 자세히 설명합니다. 어떤 기계를 선택해야 할지 고민이신가요?CNC 밀링 vs CNC 선삭모든 궁금증을 해결하려면 저희 블로그를 읽어보세요.
CNC 밀링은 컴퓨터로 제어되는 절삭 공정입니다. 하지만 이 정의는 지루하고 핵심을 놓치고 있습니다. CNC 밀링은 모든 것을 바꿔놓았습니다. 회전하는 공구가 단단한 블록에서 재료를 깎아내어 모양, 특징, 구멍을 만들어내는데, 이는 전용 디지털 시스템이 레버와 손으로 돌리는 바퀴를 완전히 대체했기 때문입니다.
보세요, 컴퓨터로 부품을 설계하고 파일을 전송하면 기계가 수술처럼 정밀하고 타협할 수 없는 정확도로 절삭 작업을 수행합니다. 항공우주, 자동차, 로봇 산업과 같은 분야에서 이 기술에 크게 의존하는 이유가 바로 이것입니다. 사람의 손으로는 이러한 첨단 기술에 필요한 치수 정확도를 꾸준히 따라잡을 수 없습니다. 항공우주 등급 부품.
케소는 설립 초기부터 첨단 CNC 밀링 기술을 도입했으며, 숙련된 가공 경험을 바탕으로 완성품의 일관성을 보장합니다. 다른 업체에서 공차 검사를 통과하지 못한 부품을 케소로 가져오는 고객들이 많지만, 케소에서 생산을 맡긴 후에는 훨씬 안정적인 정확도를 경험합니다. 가공에 있어서는 업체의 공정과 전문성을 선택하는 것이 중요하며, 바로 이러한 점이 고객의 핵심 부품을 처음부터 제대로 제작할 수 있도록 보장합니다.
사실 확인: CNC 밀링이 사람 머리카락 굵기보다 작은 정밀도를 가진 부품을 제작하는 데 사용된다는 사실을 알고 계셨습니까? 고정밀 또는 특수 용도 분야에서 단일 마이크론 단위의 반복 정밀도를 구현할 수 있다는 뜻입니다. 단순히 수동 가공보다 나은 정도가 아니라, 완전히 다른 차원의 정밀도를 제공합니다. 이러한 능력 덕분에 전 세계 산업 자동화 시장은 CNC 밀링에 크게 의존하고 있습니다. CNC 가공 부품향후 몇 년 안에 거의 4천억 달러에 달할 것으로 예상됩니다. 우리가 말하는 영향은 바로 이런 종류입니다.

전통적인 수동 밀링 머신과 최신 CNC 시스템의 가장 큰 차이점은 단 하나, 바로 제어권과 그 제어권을 누구에게 맡길 것인가에 달려 있습니다.
수동 밀링 머신에서는 작업자가 모든 것을 완벽하게 제어합니다. 공구의 움직임, 절삭 깊이, 이송 속도 등 모든 것이 그 순간 작업자의 손, 눈, 집중력에 달려 있습니다. 피로가 쌓이거나 커피 효과가 떨어지면 공차가 틀어질 수 있습니다.
이제 CNC 밀링 머신을 생각해 보세요. 기계의 움직임은 감각에 의존하는 것이 아니라, 프로그래밍된 코드에 의해 제어됩니다. CNC 밀링 머신은 매번 정확한 좌표를 일관되게 실행합니다. 이것이 바로 대부분의 산업 분야에서 CNC 밀링이 정밀 부품 생산의 주요 방식으로 자리 잡은 이유입니다.
터빈 블레이드 하우징과 같은 중요한 부품을 주문한다고 상상해 보세요. 예측 가능하고 반복 가능한 정확도를 마이크론 단위까지 제공하는 시스템으로 제작하는 것을 선호하시겠습니까, 아니면 직감에 의존하는 사람이 제작하는 것을 선호하시겠습니까?
그게 차이점입니다. CNC 밀링 머신은 다음과 같은 이점을 제공합니다.
이처럼 예측 가능성과 정밀도가 크게 향상된 것이 CNC 밀링이 대부분의 현대 제조 분야에서 지배적인 선택이 된 이유이며, 수동 밀링은 오늘날 주로 소규모 수리, 간단한 프로토타입 제작, 교육 또는 초정밀 공차가 요구되지 않는 소량 생산 작업에 사용됩니다.
제품에 "CNC 밀링"이라는 표시가 있으면, 해당 부품이 주형이나 주조, 또는 대략적인 절단 방식으로 만들어진 것이 아니라, 정밀한 디지털 지침에 따라 CNC 밀링 머신을 사용하여 통짜 재료에서 직접 깎아낸 것임을 의미합니다.
이것이 중요한 이유는 다음과 같습니다. CNC 가공 부품 일반적으로 다음과 같은 특징을 가지고 있습니다:
제조업체들이 CNC 가공 기능을 갖춘 밀링 머신으로 전환하는 주된 이유는 바로 일관성입니다. 대량 생산 시에도 모든 부품이 거의 동일하게 생산되기 때문입니다.

"CNC 밀링 머신은 어떻게 작동할까요?"라는 질문을 하려고 이 페이지를 클릭하셨다면, 단순히 상식적인 지식을 얻고 싶은 게 아니라 실질적인 결정을 내리고 싶으신 거겠죠. 아마도 적합한 기계를 고르거나, 생산 병목 현상을 파악하거나, 부품 견적을 정확하게 내거나, 잘못된 설정으로 인한 불량품 발생을 줄이고 싶으실 겁니다. 기계의 작동 원리를 처음부터 끝까지 이해하면 세 가지 중요한 이점을 얻을 수 있습니다. 첫째, 예측 가능성(시간과 비용이 어디에 숨어 있는지 알 수 있음), 둘째, 제어력(이송 속도, 절삭 속도, 고정 장치 등을 더 이상 추측하지 않아도 됨), 셋째, 문제 해결 능력(생산에 문제가 생기기 전에 미리 감지할 수 있음)입니다. 그러니 마치 내일 첫 작업을 시작하기 직전처럼 이 글을 읽어보세요. 시험공부를 하듯이 읽지 마세요.
CNC 밀링 시스템은 매우 정밀한 기계입니다. 컴퓨터로 제어되는 이 절삭 공구는 단단한 블록에서 재료를 깎아내어 사용자가 설계한 정확한 형상을 구현하도록 설계되었습니다. 하지만 이러한 기능은 단순한 절삭에만 그치는 것이 아닙니다. 엄청난 수준의 정교한 엔지니어링 기술이 필요합니다. 기계는 스핀들 속도, 공구 움직임, 칩 제거, 냉각수 공급, 그리고 복잡한 제어 로직을 모두 조율해야만 복잡한 부품 하나를 반복적으로 정밀하게 가공할 수 있습니다.
CNC 밀링 머신이 작업을 시작할 때를 살펴보세요. 스핀들은 재질과 공구에 따라 수천 RPM에 달하는 속도로 즉시 회전하고, 절삭 공구는 초기 위치로 이동합니다. 공작물은 테이블에 단단히 고정되어 그 자리에 놓입니다.
제어 장치가 G 코드를 읽고 있습니다. G 코드는 CAM 프로그램에서 직접 가져온 한 줄짜리 스크립트입니다. 컨트롤러는 이 스크립트를 즉시 가져와서 미세한 축 움직임으로 변환하여 1/1000밀리미터 또는 1/1000밀리미터 단위까지 정밀하게 좌표를 제어합니다.
칩이 떨어져 나가는 동안 냉각제 또는 미스트가 동시에 열을 제어합니다. 제어 시스템 자체는 백래시 및 미세한 물리적 편차를 능동적으로 보정하여 완성된 부품이 CAD 모델과 정확히 일치하도록 합니다.
몇 가지 중요한 요소가 작업에 필수적입니다. 스핀들 속도와 이송 속도는 절삭의 모든 것을 좌우합니다. 이 두 가지 조합을 잘못 조절하면 표면 조도가 나빠지고 공구 수명이 단축됩니다. 공구 경로 전략, 즉 황삭과 정삭을 어떻게 수행할지는 공구가 받는 총 힘과 열을 결정합니다. 마지막으로 클램핑입니다. 가장 기본적인 단계이지만, 잘못 수행하면 값비싼 부품 전체를 폐기해야 하는 가장 빠른 원인이 됩니다.

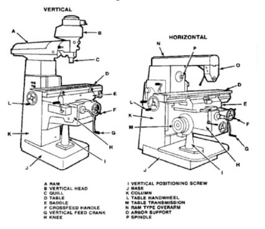
기본적인 밀링 머신은 절삭 공구를 X축(좌우), Y축(앞뒤), Z축(상하)의 세 축으로 움직입니다. 하지만 이것은 시작에 불과합니다.
현대적인 것 옆에 서 있다면 5축 CNC 밀링 머신 복잡한 작업을 수행하는 동안 기계가 뚝뚝 끊기는 동작이 아닌 부드러운 곡선을 그리며 움직이는 것을 확인할 수 있습니다. 이는 동시 축 제어(SIM) 덕분입니다. 이러한 부드러운 움직임은 단순히 시각적으로 매력적인 것뿐만 아니라, 설정 횟수 감소, 더욱 깔끔한 표면 마감, 그리고 규격에 더욱 가까운 부품 생산으로 이어집니다.
링크된 가이드를 통해 CNC 밀링 머신의 작동 원리를 자세히 알아보세요!
이 모든 설명이 CNC 밀링을 강력하지만 솔직히 좀 부담스럽게 들린다면, 그건 당연합니다. 밀링 머신을 구입하고, 설치하고, 이송 속도와 절삭 속도를 설정하고, 공구와 고정 장치를 마련하는 등, 첫 번째 제대로 된 부품을 만들기 전까지 해야 할 일이 많습니다.
처음부터 정확하게 가공된 부품이 필요하시다면, 케소가 도와드리겠습니다. 케소는 실제 생산에 필요한 고품질 부품을 개당 5달러부터 가공해 드립니다. 고객님께서는 기계를 직접 다루거나 설정, 공구, 폐기물 걱정 없이 안심하고 작업을 진행하실 수 있습니다.
CAD 파일을 업로드하기만 하면 나머지는 저희가 모두 처리합니다.

스핀들은 기계의 핵심 동력입니다. 절삭 공구를 고정하고 고속으로 회전시켜 금속, 플라스틱 또는 복합 재료를 절삭합니다. 스핀들의 품질은 절삭면의 매끄러움과 CNC 가공 부품 표면의 깨끗함을 좌우합니다. 스핀들에 유격이나 진동이 있으면 채터 마크와 불량한 공차로 즉시 나타납니다.
최신 기계는 수동으로 공구를 교체하느라 작업을 멈추지 않습니다. 자동 공구 교환기는 여러 개의 절삭 공구를 보관하고 몇 초 만에 교체합니다. 우수한 CNC 밀링 머신은 이 시스템을 사용하여 설정을 변경하지 않고도 황삭에서 정삭으로 매끄럽게 전환할 수 있습니다. 이것이 바로 복잡한 부품을 여러 단계의 수동 공정 없이 한 번에 제작할 수 있는 이유입니다.
이곳은 기계의 두뇌이자 대시보드입니다. 작업자는 여기서 프로그램을 로드하고, 이송 속도와 절삭 속도를 조정하고, 기계를 원점으로 설정하고, 절삭 과정을 모니터링합니다. 정밀하게 조정된 CNC 밀링 머신의 경우, 제어판은 스핀들 부하 및 축 위치와 같은 실시간 피드백을 제공하므로 부품이나 공구가 손상되기 전에 문제를 발견할 수 있습니다.
작업대는 원자재가 고정되는 곳입니다. 고정구, 바이스, 클램프, 맞춤형 지그 등이 부품이 가공되는 동안 움직이지 않도록 고정해 줍니다. 안정적인 설정은 정밀한 공차를 가진 CNC 밀링 부품을 만들느냐, 아니면 불량품으로 가득 찬 폐기물 더미를 만들느냐의 차이를 결정짓습니다. 제대로 된 고정구는 조용하고, 지루하지만, 절대적으로 중요합니다.
열은 정밀도의 적입니다. 냉각 시스템은 절삭 영역에 냉각수를 분사하거나 공급하여 온도를 제어하고 공구 수명을 연장합니다. 칩 컨베이어와 오거는 금속 폐기물이 쌓여 절삭을 방해하기 전에 제거합니다. 잘 설계된 CNC 밀링 머신은 절삭 영역을 깨끗하게 유지하여 공구가 항상 재료를 절삭하고, 절삭 과정에서 발생하는 칩을 재절삭하지 않도록 합니다.
기계를 살펴보기 전에 먼저 공구를 이해해야 합니다. CNC 밀링 머신의 성능은 내부에 장착된 절삭 공구에 달려 있습니다. 잘못된 공구를 사용하면 표면 조도가 저하되고, 공차가 틀어지며, 작업 도중에 부러질 수도 있습니다.